



技術參數
———————————————————— PATMETERS ————————————————————
轉速 Speed | n≤200RPM | 溫度 TEMP | t≤120℃ |
壓力 Pressur | p≤1.8MPa | 介質 Medium | 水、冷卻液等 |
材質 Material | 不銹鋼、銅合金等 | 配件 Parts | 氟膠圈、不銹鋼彈簧等 |
產品特點
——————————————————— PRODUCT FEATUREA ———————————————————
· 多彈簧結構。 · 無需金屬軟管。 · 流體面積大。 · 碳化鎢機械密封。 · 最大8mm軸向位移補償輥軸熱膨脹。 · 外圓密封結構和機械密封結構,專為連鑄設備設計的旋轉接頭。 · 密封元件采用耐高溫、耐磨損、耐腐蝕潤滑材料。 · 密封元件磨損自動補償。 · 采用埋入式螺紋連接方式,安裝簡單方便。 · 安裝端面及安裝孔加工要求Ra1.6以上,以保證安裝密封的可靠性。 · 抗腐蝕的密封裝置,可延長使用壽命。 · 可根據客戶需求設計非標連鑄用埋入式旋轉接頭。 |
產品圖片
——————————————————— PRODUCT PICTURE ———————————————————

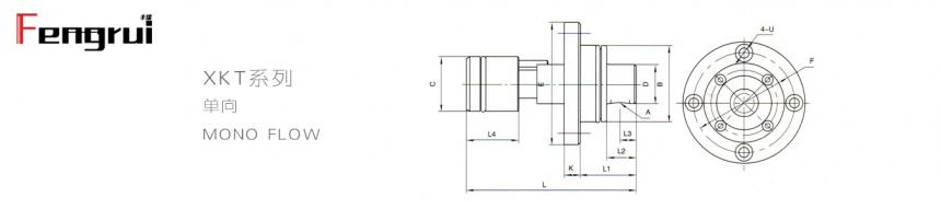
規格型號尺寸
———————————————————— SIZE TABLE ————————————————————

型號 | A | B | C | D | E | F | K | L | L1 | L2 | L3 | L4 | U |
XKT-12D-01 | 12 | 49 | 35 | 25 | 78 | 64 | 10 | 107.5 | 35.5 | 18.5 | 10 | 33 | 6.5 |
非標定制
—————————————————————— OEM Part —————————————————————
溫度Max | 流通介質的最高溫度/℃ | 轉速Max | 設備工作的最高轉速/RPM | 壓力Max | 工作狀態的最高壓力/MPa |
流通介質 | 流通的介質及有無腐蝕性 | 通路數量 | 單、雙通路或多通路 | 通徑規格 | 每個通路的通徑規格 |
連接方式 | 螺紋或法蘭連接方式 | 規格標準 | 螺紋和法蘭規格標準 | 外形尺寸 | 總長和殼體直徑的要求 |
工況信息 | 所用設備的工況環境 | 材質要求 | 殼體、軸:201、304、316、鋁合金、碳鋼、銅合金及軸承材質 | ||
特殊要求 | 特殊的表面處理工藝要求、密封組件的材質要求、軸承及其他配件品牌的要求、其他特殊要求和需求等 | ||||
旋轉接頭安裝與使用
—————————————————— INSTALLATION AND USE ——————————————————
1.安裝旋轉接頭的一端看設備的旋轉方向來確定旋轉接頭的螺紋方向。 A.設備逆時針方向旋轉,選用右旋的旋轉接頭。 B.設備順時針方向旋轉,選用左旋的旋轉接頭。 2.應該保持滾筒及內管內部的清潔,對新的設備應特別注意,必要時需加過濾器,以避免異物雜質和水垢對旋轉接頭接頭造成異常磨損。 3.當發現旋轉接頭滲漏時,應及時停機檢查滲漏原因,不要帶病工作,以免造成零部件的異常損壞。 4.在未流通介質時,應避免長時間空運轉。 5.因機器長期不使用會導致旋轉接頭內部的結垢與起銹,請注意如再使用很可能卡住或者滴漏現象發生。 6.帶有注油裝置的請定期注油(視情況1-3個月內),確保軸承運轉的可靠性。 7.流通熱體介質的旋轉接頭應逐漸升溫,避免溫度急變,對密封件造成老化。 8.需使用金屬軟管進行繞性連接,避免硬性連接使得旋轉接頭運行中不能自動調心補償。 |
旋轉接頭維修和維護
—————————————————— REPAIR AND MAINTENANCE ——————————————————
1.拆卸旋轉接頭時,應注意過高的溫度對身體的影響。 2.拆下并打開旋轉接頭時,應注意裝配順序,并保持內部零件的原始狀態,以分析原因。 3.檢查密封端面的磨損狀況及厚度變化情況(一般正常磨損量為5-10mm);觀察密封端面的摩擦軌跡,看是否出現三點斷續接觸或者劃傷等問題,這屬于不正常的摩擦狀況,應立即維修。 4.注意觀察旋轉接頭密封端面是否存有異物(鐵屑、石英、水垢等結晶體)對密封端面是否留有摩擦痕跡。這需要更換密封環及加裝過濾裝置,避免異物對密封端面繼續損傷。 5.旋轉接頭是精密動態密封裝置,請選擇專業的旋轉接頭生產廠家進行維修。 |
—————————————————— 豐瑞機械密封 —————————————————— 有轉動的地方就有豐瑞旋轉接頭 |
![]() |
![]() |